ПРОЕКТНАЯ ДЕКЛАРАЦИЯ
на строительство объекта
«40-квартирный жилой дом в г.п. Брагин»
1. ИНФОРМАЦИЯ О ЗАСТРОЙЩИКЕ.
Наименование застройщика: полное наименование - коммунальное унитарное дочернее предприятие «Управление капитального строительства Речицкого района»; сокращенное наименование – государственное предприятие «УКС Речицкого района».
Место нахождения застройщика: Республика Беларусь, Гомельская область, г. Речица, ул. Конева, 1.
Режим работы застройщика: начало рабочего дня – 08 час. 30 мин., окончание рабочего дня – 17 час. 30 мин. Перерыв на обед – с 13 час. 00 мин. до 14 час. 00 мин. Выходные дни: суббота, воскресенье.
Данные о государственной регистрации застройщика: коммунальное унитарное дочернее предприятие «Управление капитального строительства Речицкого района» зарегистрировано решением Речицкого районного исполнительного комитета 14.04.2014 в Едином государственном регистре юридических лиц и индивидуальных предпринимателей за № 490177433. Собственник – Гомельский областной Совет депутатов. Учредитель – коммунальное унитарное предприятие «Гомельское областное управление капитального строительства».
Предприятие имеет аттестат соответствия второй категории № 0002548-ИН со сроком действия по 08.05.2025 на оказание инженерных услуг при осуществлении деятельности в области строительства объектов первого-четвёртого классов сложности.
Предприятие выполняет функции государственного заказчика:
- по строительству жилых домов для граждан, осуществляющих строительство жилых помещений с государственной поддержкой;
- по строительству жилья на коммерческой основе;
- по строительству социально значимых объектов;
- по строительству жилых помещений, строящихся на условиях госзаказа.
Сведения о жилых домах и иных объектах недвижимости, в строительстве которых принимал участие застройщик в течение трех лет, предшествующих опубликованию проектной декларации:
- «Жилой дом для семьи, воспитывающей детей-сирот и детей, оставшихся без попечения родителей, в г.п. Лоеве» (май 2017 г. – октябрь 2017 г.);
- «Многоквартирный жилой дом в г.Хойники» (июнь 2017 г. – июнь 2018 г.);
- «24-х квартирный жилой дом в г.п.Брагин» (ноябрь 2017 г. – июнь 2018 г.);
- «Жилой дом №18 в микрорайоне №15 г.Речица» (июнь 2017 г. – январь 2018 г.);
- «Жилой дом № 18А в микрорайоне № 15 г.Речица» (ноябрь 2017 г. – июль 2018 г.);
- «Многоквартирный жилой дом по ул. 70 лет Октября в г.Хойники» (июнь 2018 г. – декабрь 2018 г.);
- «Жилой дом №25 в микрорайоне №15 г.Речица» (август 2018 г. – апрель 2019 г.);
- «Многоквартирный жилой дом по ул.Шевелева в г.п.Лоев» (февраль 2019 г. – июль 2019 г.);
- «Жилой дом №23 в микрорайоне №15 г. Речица» (апрель 2019 г. – декабрь 2019 г.);
- «Жилой дом №19 в микрорайоне №15 г.Речица» (март 2019 г. – декабрь 2019 г.);
- «40-квартирный жилой дом КПД» г. Хойники, ул. 70 лет Октября (сентябрь 2019 г. – декабрь 2019 г.);
- «Многоквартирный жилой дом в г.п.Комарин» (апрель 2019 г. – февраль 2020 г.).
2. ИНФОРМАЦИЯ ОБ ОБЪЕКТЕ СТРОИТЕЛЬСТВА.
Строительный проект: объект проектирования – 5-этажный, 2-секционный, 40-квартирный жилой КПД, разработанный способом привязки с переработкой проекта повторного применения «Десятиэтажная рядовая-торцевая блок-секция на 40 квартир «1-1-2-2» (укороченная) разработки РУП «Институт Белгоспроект» серия Моз90-10Р-01у, утверждённого постановлением коллегии Министерства архитектуры и строительства Республики Беларусь от 28.06.2013 № 19 (в редакции постановления от 27.11.2013 № 39).
Цель строительства: для личных, семейных, бытовых нужд граждан.
Сведения об этапах и о сроках реализации проекта строительства: начало строительства – 22 июля 2020 года, планируемый срок окончания строительства и приемки в эксплуатацию жилого дома – 31 декабря 2020 года. Срок строительства (перенос, приостановка, разделение на этапы) изменяется в порядке установленном законодательством.
Результат государственной экспертизы проектной документации: положительное экспертное заключение ДРУП «Госстройэкспертиза по Гомельской области» от 29.05.2020 № 709-40/20.
Наименование объекта и его местонахождение: «40-квартирный жилой дом в г.п. Брагин» - Гомельская область, г.п. Брагин, квартал улиц Октябрьская – Крылова - Кооперативная.
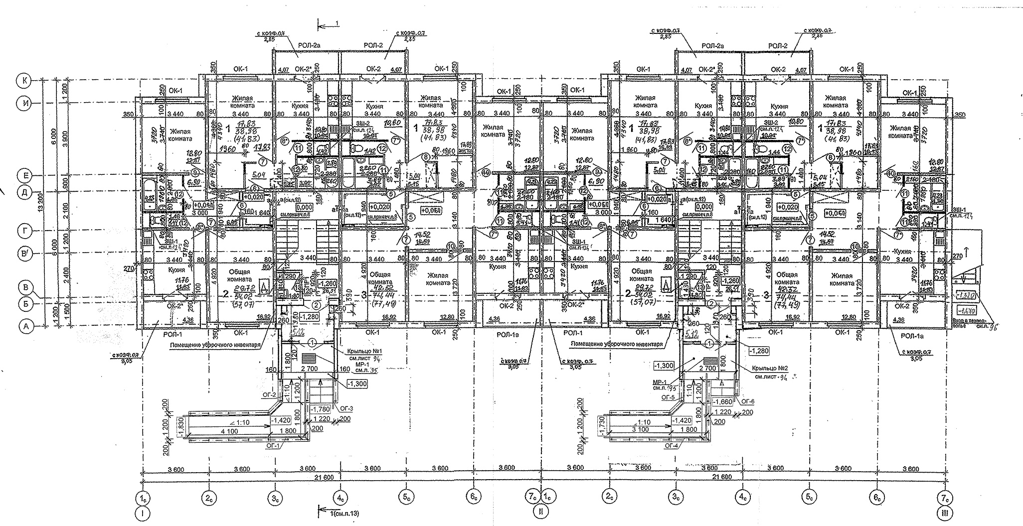
Характеристика объекта строительства: 5-этажный, 2-секционный, 40-квартирный жилой дом со следующим набором квартир:
- однокомнатных квартир общей площадью 41,83 м2, жилой 17,83 м2 – 4
- однокомнатных квартир общей площадью 41,27 м2, жилой 17,83 м2 – 16
- двухкомнатных квартир общей площадью 57,07 м2, жилой 29,72 м2 – 2
- двухкомнатных квартир общей площадью 56,51 м2, жилой 29,72 м2 – 8
- трехкомнатных квартир общей площадью 77,49 м2, жилой 42,52 м2 – 2
- трехкомнатных квартир общей площадью 76,93 м2, жилой 42,52 м2 – 8
В жилом доме запроектированы: техподполье с инженерными коммуникациями, водомерным узлом, индивидуальным тепловым пунктом и электрощитовой; помещение для размещения уборочного инвентаря, холодный чердак.
Конструктивная схема здания – перекрёстно-стеновая с поэтажно-несущими наружными стенами с опиранием перекрытий по контуру и трем сторонам.
Крыша – чердачная с деревянной стропильной системой и с кровлей из профлиста.
Фундаменты – ленточные из сборных железобетонных элементов и бетонных блоков стен подвала.
Наружные стены – сборные железобетонные трехслойные толщиной 350 мм с утеплителем из пенополистирольных плит.
Внутренние стены – железобетонные панели толщиной 160 мм.
Перегородки санитарных узлов – сборные железобетонные панели толщиной 80 мм.
Перекрытия и покрытие – сборные железобетонные плиты толщиной 160 мм.
Ограждения лоджий – сборные железобетонные толщиной 80 мм.
Мусоропроводы исключены.
Характеристика элементов жилых помещений:
Окна и балконные двери – профиль ПВХ с двухкамерным стеклопакетом.
Остекление лоджий – профиль ПВХ с одинарным остеклением.
Двери входные – металлические.
В квартирах предусмотрена установка газовой плиты, акриловой ванны, керамического унитаза, стального полотенцесушителя, приборов учёта воды, тепла, газа и электроэнергии.
При строительстве квартиры с отделочными работами
Полы: в жилых комнатах, коридоре и кухне – ламинированные панели; в ванной и туалете – плитка керамическая.
Стены: в жилых комнатах, кухне и коридоре – обои бумажные; в ванной и туалете – акриловая окраска.
Двери внутриквартирные (в жилые комнаты, кухню, ванную и туалет) – деревянные.
Потолки: акриловая окраска.
Дополнительно устанавливаются умывальник керамический и мойка стальная.
Количество квартир, предлагаемых для заключения договоров создания объекта долевого строительства – 22 (для граждан, состоящих на учете нуждающихся в улучшении жилищных условий и имеющих право на государственную поддержку при строительстве жилых помещений в соответствии с Указом Президента Республики Беларусь от 04.07.2017 № 240 «О государственной поддержке граждан при строительстве (реконструкции) жилых помещений».
Строительство производится с ограниченной прибылью застройщика в размере 5 %, в соответствии с Указом Президента Республики Беларусь от 10.12.2018 № 473 «О долевом строительстве».
Ценовые показатели стоимости: стоимость 1 кв.м. общей площади с учетом благоустройства на дату опубликования проектной декларации составляет с отделочными работами – 1 433,00 рублей, без отделочных работ – 1 300,00 рублей.
Цена объекта долевого строительства (цена договора): формируется на стадии заключения договора с дольщиком в соответствии с законодательством. Изменение цены объекта долевого строительства допускается в случаях предусмотренных законодательством и по соглашению сторон.
Оплата стоимости объекта долевого строительства производится в следующем порядке: первый платёж – по сроку согласовывается с застройщиком в графике платежей к договору, все последующие платежи – до первого числа месяца, следующего за месяцем выдачи застройщиком расчетного документа для внесения платежей, в течение всего срока строительства согласно графику платежей.
Многодетные семьи, которые будут осуществлять строительство квартир в данном доме, имеют право на использование семейного капитала в порядке, установленном законодательством Республики Беларусь, в том числе для оплаты отделочных работ.
Цены на объекты долевого строительства с учётом отделочных работ:
|
Наименование квартир |
Коли-чество |
Этаж |
Жилая площадь, м² |
Общая площадь по СНБ,м² |
Стоимость 1 м², бел. руб. |
Цена объекта долевого строительства, бел. руб. |
|
Однокомнатная |
2 |
2 |
17,83 |
41,27 |
1 433,00 |
59 139,91 |
|
Двухкомнатная |
2 |
1 |
29,72 |
57,07 |
1 433,00 |
81 781,31 |
|
Двухкомнатная |
8 |
2-5 |
29,72 |
56,51 |
1 433,00 |
80 978,83 |
|
Трехкомнатная |
2 |
1 |
42,52 |
77,49 |
1 433,00 |
111 043,17 |
|
Трехкомнатная |
8 |
2-5 |
42,52 |
76,93 |
1 433,00 |
110 240,69 |
Цены на объекты долевого строительства без отделочных работ:
|
Наименование квартир |
Коли-чество |
Этаж |
Жилая площадь, м² |
Общая площадь по СНБ,м² |
Стоимость 1 м², бел. руб. |
Цена объекта долевого строительства, бел. руб. |
|
Однокомнатная |
2 |
2 |
17,83 |
41,27 |
1 300,00 |
53 651,00 |
|
Двухкомнатная |
2 |
1 |
29,72 |
57,07 |
1 300,00 |
74 191,00 |
|
Двухкомнатная |
8 |
2-5 |
29,72 |
56,51 |
1 300,00 |
73 463,00 |
|
Трехкомнатная |
2 |
1 |
42,52 |
77,49 |
1 300,00 |
100 737,00 |
|
Трехкомнатная |
8 |
2-5 |
42,52 |
76,93 |
1 300,00 |
100 009,00 |
Данные о правах застройщика на земельный участок, собственнике земельного участка, его границах и площади, об элементах благоустройства: решением Брагинского районного исполнительного комитета от 16.06.2020 № 609 в установленном порядке предоставлен коммунальному унитарному дочернему предприятию «Управление капитального строительства Речицкого района» во временное пользование сроком на 11,5 месяцев земельный участок площадью 0,4514 га для строительства и обслуживания дома на объекте «40-квартирный жилой дом в г.п.Брагин».
Элементы благоустройства: автопарковка, велопарковка, тротуарные дорожки, детская площадка, малые формы и озеленение прилегающей территории.
О передаче квартир правообладателям: застройщик в порядке и в сроки, предусмотренные законодательством и договором, при условии полной оплаты дольщиком стоимости объекта долевого строительства передаёт ему квартиру и документы для оформления права собственности.
Состав общего имущества в многоквартирном жилом доме, которое будет находиться в общей долевой собственности дольщиков: межквартирные лестничные клетки, лестницы, коридоры, приквартирные тамбуры, тамбур входа, помещение уборочного инвентаря, крыша, чердак, техподполье, электрощитовая, водомерный узел, тепловой пункт, другие места общего пользования, механическое, электрическое, газовое, санитарно-техническое и иное оборудование, находящееся за пределами жилых помещений, а также иные объекты недвижимости, служащие целевому использованию многоквартирного жилого дома.
Сведения о договоре строительного подряда: строительство объекта осуществляется производственным кооперативом «Мозырьстрой» согласно договору строительного подряда от 22.07.2020 № 360.
3. ИНФОРМАЦИЯ О ПОРЯДКЕ ПРИЕМА ЗАЯВЛЕНИЙ И ЗАКЛЮЧЕНИЯ ДОГОВОРОВ С ДОЛЬЩИКАМИ.
Принятие заявлений и заключение договоров с дольщиками осуществляется в соответствии с Указом Президента Республики Беларусь от 10.12.2018 № 473 «О долевом строительстве».
Заявления на строительство квартир в данном доме будут приниматься от физических лиц по адресу: г.п.Брагин Гомельской области, площадь Ленина, 4 - Отдел жилищно-коммунального хозяйства, архитектуры и строительства Брагинского районного исполнительного комитета.
Дата и время начала приёма заявлений – 11 августа 2020 года с 11 часов 00 минут.
Для подачи заявления и заключения договора необходимо личное присутствие гражданина или его представителя с наличием правоустанавливающих документов (паспорт, для представителя – паспорт и доверенность). Договор подписывается лично гражданином либо его представителем по доверенности и вручается ему лично под роспись.
Заявления будут приниматься от граждан, состоящих на учете нуждающихся в улучшении жилищных условий и имеющих право на государственную поддержку при строительстве жилых помещений, по направлению Брагинского районного исполнительного комитета.
Заявления будут приниматься в рабочие дни и в рабочее время и подлежат регистрации в порядке очередности их подачи.
Запись и бронирование квартир по телефону не осуществляется, электронные заявления не регистрируются.
Ознакомиться с характеристиками объекта долевого строительства и получить более подробную информацию по его строительству можно в государственном предприятии «УКС Речицкого района» в рабочие дни или по телефонам: сот. +37529-393-41-29, 2-31-01, 9-15-12; 9-17-80.
На нашем сайте представлена визуализация планируемых конструктивных решений объекта:




Схемы планировки квартир:
Планировка квартир первого этажа








